+971 56 389 7151

Mon-Fri: 8:00 - 18:00 UAE

Email:

Michell ES70 Process Sampling System

High-Quality Gas Handling for Reliable Moisture Measurement

  • Indoor panel or outdoor enclosure mounting options
  • Process connection via 6mm or 1/4” tube fittings
  • High quality components, stainless steel tubing and fittings
  • Sample inlet pressure up to 138 barg
  • Flexible filtration options
  • Choice of transmitter, flow and pressure control
  • Comprehensive documentation options with BS EN 10204 3.1 certification and NACE MR0175 available
			int(21107)
NULL
		

Made in United Kingdom. brand Michell, model ES70

International delivery to United Arab Emirates, Kuwait, Qatar, Saudi Arabia, Saudi Arabia, Bahrain, Oman and other Middle Eastern countries.
Our warehouses are located in UAE. Delivery to other countries (Europe, North and South America, Asia, Africa) is discussed individually.

price По запросу

Available

Available

Advantages

Only the best I&C brands

Our company is a UAE supplier of control and measuring instruments from well-known world brands

Advantages

Discounts for organisations

We sell high-tech equipment at best prices. We provide really advantageous conditions for partners

Advantages

Fast delivery across the Middle East

Supply to United Arab Emirates, Kuwait, Qatar, Saudi Arabia, Bahrain, Oman and other countries

Advantages

Professional advice on device selection

Our specialists are ready to advise you on any technical question. We can find an analogue of any device

Description of Michell ES70

Moisture analyzers are only as reliable as the sample extraction, handling and conditioning techniques used. The ES70 Sampling System range offers a set of configuration options to cover all process moisture and dew-point application needs, to ensure repeatable, accurate results.

Choices include panel mount or enclosure, type of filtration, upstream and downstream pressure control and flow control.

Applications

  • Natural gas production, processing & transmission
  • Biomethane gas production
  • Fiscal metering of gas
  • LNG production processing and receiving terminals
  • Hydrocarbon refinery processing
  • Catalyst protection
  • Polymer production
  • CNG production
  • Heat treating furnaces
  • Petrochemical process liquids

Technical specifications of Michell ES70

Electrical Specifications
Supply Voltage (Sensor) 14 to 28 V DC
Supply Voltage (Sampling System) 240 V AC or 110 V AC
Operating Temperature
ES70 Fitted with Monitor 0 to +50 °C
ES70 Without Monitor -20 to +60 °C
Gas Operating Inlet Pressure 138 barg maximum
Gas Flow Rate 1 – 5 nl/min
Liquid Operating Inlet Pressure 50 barg maximum
Liquid Flow Rate Min 0.01 l/min, max 10 l/min
0.1 to 0.3 l/min recommended
Mechanical Specifications
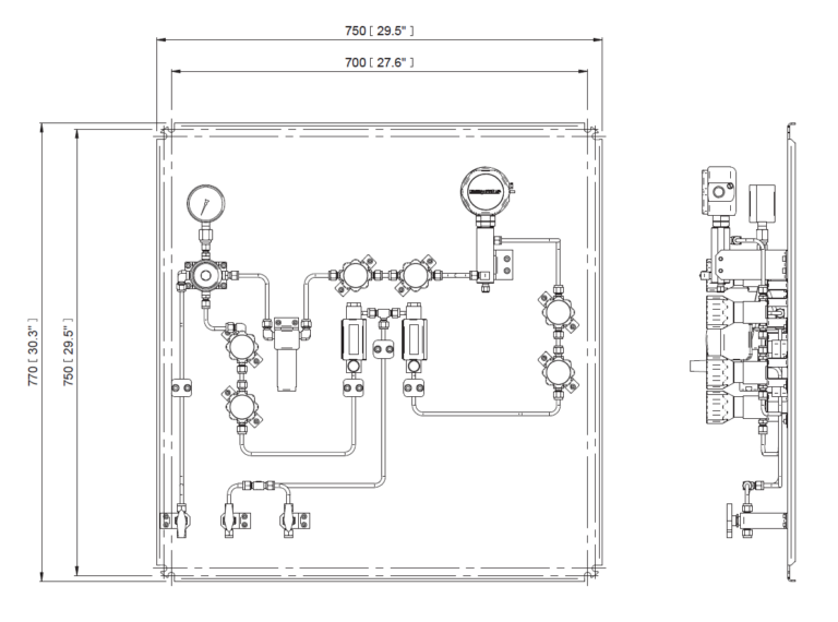
Process Connections and Materials Inlet/outlet process connections via 6mm or 1/4” tube fittings, 316 SS
Gas Wetted Parts Transmitter sample block, filter housing and fittings, 316 SS
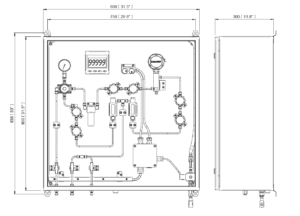
Dimensions Indoor panel: 750 x 750 x 2 mm
Outdoor: 800 x 800 x 300 mm
Dew Point Measurement Specifications * See chosen sensor datasheets
Expand Table

User Guide and Instruction manual for Michell ES70

You can request the necessary certificates, documentation, instructions and user guide for Michell ES70 using the special form.

You can buy Michell ES70 in UAE at a price starting from По запросу $ in «Texair FZCO» by leaving a request on the website, by phone +441225535040 or by email . Michell ES70 price are subject to change depending on exchange rates. We deliver instruments by transport companies in United Arab Emirates, Kuwait, Qatar, Saudi Arabia, Saudi Arabia, Bahrain and other Middle Eastern countries.

Generate an article by selecting the parameters below
Article:
Quantity:
-
+
Clear
I know the article / Need help
Get Offer
The article is not fully generated. Please double-check the selected values.